Description
Set of Five (5) New Aftermarket Replacement Baler Teeth
Fits Ford New Holland Mower Conditioner models: 1495, 1499, 488, 495, 499
Tech Info:
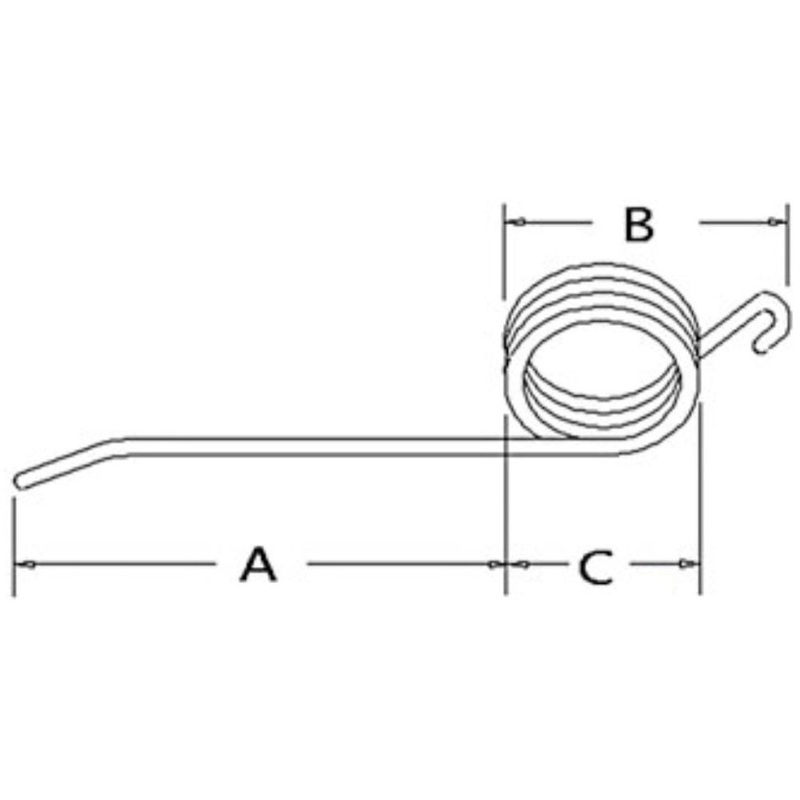
Dim (A) 6″ Tine Length
Dim (B) 4.437″ Coil to Hook
Dim (C) 2.50″ Tooth Coil
The model numbers listed are for reference only. Please consult your service manual and verify your original part number(s) before ordering.
Replaces Part Numbers: 241380L (x 5), TENH4, 241380, 241380NH, 96NH4
Models This Part Fits:
1495, 1499, 488, 495, 499
Reference Numbers:
241380, 241380L, 241380NH, 96NH4, TENH4

Reviews
There are no reviews yet.